聯系我們More
總機:021-34170098? ? ? ? ? 021-34170018 傳真:021-34170028 手機:13816089353 電子郵箱:
Sales@createyi.com 地址:上海市嘉蓬路168號嘉蓬產業園1號樓101-102室?
![]() |

霍尼韋爾HMF-US系列超聲波式流量計
聯系方式
021-34170098
霍尼韋爾HMF-US系列超聲波式流量計主要用于測量冷熱水流量。 霍尼韋爾HMF-US系列超聲波式流量計主要用于液體流量測量, 適用于中央空調水系統,區域供暖水系統,以及其他需要測量的介質與本產品適用介質匹配的管路系統。HMF-US系列超聲波流量計可以廣泛應用于供水、醫療、樓宇建筑、化工、食品、電廠等各種領域。
產品特點
1.通用型表體設計,既可以一體式安裝, 也可以分體式安裝
2.特別設計的流體結構,可有效提高計量精度和計量穩定性, 并有效降低安裝時對直管段的要求, DN25及以下型號安裝無直管段要求
3.內置大容量3.6V鋰電池供電,外部可選AC220V或DC24V供電模式,滿足不同的應用要求。
4.支持供水和回水兩種安裝位置, 支持水平和垂直兩種安裝方式。
5.Modbus RTU協議和4-20mA信號輸出HBT-FDA-SS01-AUGUST-2022-V01-CN
基本參數
流量測量方式 |
超聲波式 |
|
流量測量精度等級 |
1%FS |
|
量程比 |
100:1 |
|
口徑和承壓等級 |
PN16:DN15~DN600,PN25:DN50~DN300 |
|
適用介質和溫度 |
顆粒物濃度低于10000PPM, PH值范圍為 4~10的液體介質 DN15~DN40:1~95℃ DN50~DN600:1-130℃ |
|
通訊協議和接口 |
ModbusRTU,RS485 |
|
輸出信號 |
4-20mA |
|
供電 |
內置3.6V鋰電池 外部供電:7~ 24 VDC 或220±10% VAC |
|
IP等級 |
傳感器IP68, 轉換器IP67 |
|
傳感器和轉換器線纜長度 |
DN15~DN40: 0.5米, DN50~DN600: 3米 |
|
連接方式 |
DN15~DN40: Rp螺紋 DN50~DN600:法蘭 |
|
運行環境 |
-25~55℃ |
|
儲存環境 |
-25~55℃ |
|
超聲波聲道 |
DN15~DN40:單聲道 DN50~DN300:雙聲道 DN350~DN600:四聲道 |
|
產品材料 |
導流管 |
DN15~DN40:黃銅 DN50~DN600:不銹鋼SS304 |
法蘭 |
不銹鋼SS304 |
|
轉換器外殼 |
塑料 |
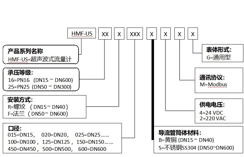
命名規則
產品系列名稱
HMF-US=超聲波式流量計
承壓等級:
16=PN16 (DN15 ~ DN600) 25=PN25 (DN50 ~ DN300)
安裝方式: R=螺紋 ( DN15 ~ DN40 ) F=法蘭( DN50 ~ DN600) |
口徑: 015=DN15, 020=DN20, 025=DN25 … … 100=DN100 ,125=DN125 ,150=DN150 … … 450=DN450 ,500=DN500, 600=DN600 |
流量測量方式 |
超聲波式 |
|
流量測量精度等級 |
1% FS |
|
量程比 |
100:1 |
|
口徑和承壓等級 |
PN16: DN15~DN600 , PN25:DN50~DN300 |
|
適用介質和溫度 |
顆粒物濃度低于10000PPM, PH值范圍為 4 ~ 10的液體介質 DN15~DN40: 1~95℃ DN50~DN600: 1-130℃ |
|
通訊協議和接口 |
Modbus RTU , RS485 |
|
輸出信號 |
4-20 mA |
|
供電 |
內置3.6V鋰電池 外部供電: 7 ~ 24 VDC 或 220 ± 10% VAC |
|
IP等級 |
傳感器 IP68 , 轉換器 IP67 |
|
傳感器和轉換器線纜長度 |
DN15~DN40: 0.5米, DN50~DN600: 3米 |
|
連接方式 |
DN15~DN40: Rp螺紋 DN50~DN600: 法蘭 |
|
運行環境 |
-25~55℃ |
|
儲存環境 |
-25~55℃ |
|
超聲波聲道 |
DN15 ~ DN40:單聲道 DN50 ~ DN300:雙聲道 DN350 ~ DN600:四聲道 |
|
產品材料 |
導流管 |
DN15 ~ DN40:黃銅 DN50 ~ DN600:不銹鋼SS304 |
法蘭 |
不銹鋼SS304 |
|
轉換器外殼 |
塑料 |
命名規則
HMF-US |
表體形式: G=通用型 |
通訊協議: M=Modbus |
供電電壓: 4=24 VDC 2=220 VAC |
導流管筒體材料: B=黃銅 (DN15 ~ DN40) S=不銹鋼SS304 (DN50~DN600) |
產品技術參數
SKU |
PN |
DN |
安裝 方式 |
最大流量 m3/h |
常用流量 m3/h |
最小流量 m3/h |
阻力損失 (kPa) |
HMF-US16R015BXXG |
PN16 |
DN15 |
螺紋 |
3 |
1.5 |
0.015 |
18 |
HMF-US16R020BXXG |
PN16 |
DN20 |
螺紋 |
5 |
2.5 |
0.025 |
17 |
HMF-US16R025BXXG |
PN16 |
DN25 |
螺紋 |
7 |
3.5 |
0.035 |
15 |
HMF-US16R032BXXG |
PN16 |
DN32 |
螺紋 |
12 |
6 |
0.06 |
13 |
HMF-US16R040BXXG |
PN16 |
DN40 |
螺紋 |
20 |
10 |
0.1 |
11 |
說明:流量計阻力損失值為常用流量下的阻力損失。
SKU |
PN |
DN |
安裝方式 |
最大流量 m3/h |
常用流量 m3/h |
最小流量 m3/h |
HMF-US16F050SXXG |
PN16 |
DN50 |
法蘭 |
30 |
15 |
0.15 |
HMF-US16F065SXXG |
PN16 |
DN65 |
法蘭 |
50 |
25 |
0.25 |
HMF-US16F080SXXG |
PN16 |
DN80 |
法蘭 |
80 |
40 |
0.4 |
HMF-US16F100SXXG |
PN16 |
DN100 |
法蘭 |
120 |
60 |
0.6 |
HMF-US16F125SXXG |
PN16 |
DN125 |
法蘭 |
200 |
100 |
1 |
HMF-US16F150SXXG |
PN16 |
DN150 |
法蘭 |
300 |
150 |
1.5 |
HMF-US16F200SXXG |
PN16 |
DN200 |
法蘭 |
500 |
250 |
2.5 |
HMF-US16F250SXXG |
PN16 |
DN250 |
法蘭 |
800 |
400 |
4 |
HMF-US16F300SXXG |
PN16 |
DN300 |
法蘭 |
1200 |
600 |
6 |
HMF-US16F350SXXG |
PN16 |
DN350 |
法蘭 |
1600 |
800 |
8 |
HMF-US16F400SXXG |
PN16 |
DN400 |
法蘭 |
2000 |
1000 |
10 |
HMF-US16F450SXXG |
PN16 |
DN450 |
法蘭 |
2600 |
1300 |
13 |
HMF-US16F500SXXG |
PN16 |
DN500 |
法蘭 |
3200 |
1600 |
16 |
HMF-US16F600SXXG |
PN16 |
DN600 |
法蘭 |
4600 |
2300 |
23 |
HMF-US25F050SXXG |
PN25 |
DN50 |
法蘭 |
30 |
15 |
0.15 |
HMF-US25F065SXXG |
PN25 |
DN65 |
法蘭 |
50 |
25 |
0.25 |
HMF-US25F080SXXG |
PN25 |
DN80 |
法蘭 |
80 |
40 |
0.4 |
HMF-US25F100SXXG |
PN25 |
DN100 |
法蘭 |
120 |
60 |
0.6 |
HMF-US25F125SXXG |
PN25 |
DN125 |
法蘭 |
200 |
100 |
1 |
HMF-US25F150SXXG |
PN25 |
DN150 |
法蘭 |
300 |
150 |
1.5 |
HMF-US25F200SXXG |
PN25 |
DN200 |
法蘭 |
500 |
250 |
2.5 |
HMF-US25F250SXXG |
PN25 |
DN250 |
法蘭 |
800 |
400 |
4 |
HMF-US25F300SXXG |
PN25 |
DN300 |
法蘭 |
1200 |
600 |
6 |
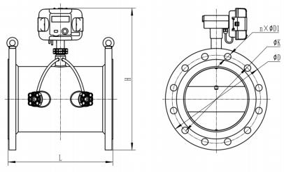
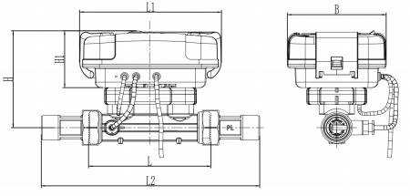
外形尺寸和重量
SKU |
PN |
DN |
L |
L1 |
L2 |
H |
H1 |
B |
表 螺紋 |
接頭 螺紋 |
重量 |
HMF-US16R015BXXG |
PN16 |
DN15 |
110 |
150 |
204 |
105 |
60 |
105 |
G ? B |
R ? |
0.7 |
HMF-US16R020BXXG |
PN16 |
DN20 |
130 |
150 |
234 |
108 |
60 |
105 |
G 1 B |
R ? |
0.8 |
HMF-US16R025BXXG |
PN16 |
DN25 |
160 |
150 |
280 |
111 |
60 |
105 |
G ? B |
R 1 |
1 |
HMF-US16R032BXXG |
PN16 |
DN32 |
180 |
150 |
300 |
114 |
60 |
105 |
G1 ? B |
R1 ? B |
1.2 |
HMF-US16R040BXXG |
PN16 |
DN40 |
200 |
150 |
328 |
118 |
60 |
105 |
G 2 B |
R1 ? |
1.5 |
尺寸: mm
重量: kg
SKU |
PN |
DN |
L |
D |
H |
K |
N x ΦD1 |
重量 |
HMF-US16F050SXXG |
PN16 |
DN50 |
200 |
165 |
245 |
125 |
4 x Ф18 |
9 |
HMF-US16F065SXXG |
PN16 |
DN65 |
200 |
185 |
255 |
145 |
4 x Ф18 |
10 |
HMF-US16F080SXXG |
PN16 |
DN80 |
225 |
200 |
280 |
160 |
8 x Ф18 |
13 |
HMF-US16F100SXXG |
PN16 |
DN100 |
250 |
220 |
295 |
180 |
8 x Ф18 |
16 |
HMF-US25F050SXXG |
PN25 |
DN50 |
270 |
165 |
250 |
125 |
4×Φ18 |
10 |
HMF-US25F065SXXG |
PN25 |
DN65 |
300 |
185 |
255 |
145 |
4×Φ18 |
11.5 |
HMF-US25F080SXXG |
PN25 |
DN80 |
300 |
200 |
280 |
160 |
8×Φ18 |
15 |
HMF-US25F100SXXG |
PN25 |
DN100 |
360 |
235 |
310 |
190 |
8×Φ22 |
20.5 |
尺寸: mm
重量: kg
|
|
PN |
DN |
L |
D |
H |
K |
n * φL |
重量 |
HMF-US16F125SXXG |
PN16 |
DN125 |
350 |
250 |
385 |
210 |
8 x Ф18 |
23 |
HMF-US16F150SXXG |
PN16 |
DN150 |
350 |
285 |
415 |
240 |
8 x Ф22 |
29 |
HMF-US16F200SXXG |
PN16 |
DN200 |
350 |
340 |
475 |
295 |
12 x Ф22 |
35 |
HMF-US16F250SXXG |
PN16 |
DN250 |
400 |
405 |
535 |
355 |
12 x Ф26 |
51 |
HMF-US16F300SXXG |
PN16 |
DN300 |
450 |
460 |
590 |
410 |
12 x Ф26 |
69 |
HMF-US25F125SXXG |
PN25 |
DN125 |
350 |
270 |
395 |
220 |
8×Φ26 |
29 |
HMF-US25F150SXXG |
PN25 |
DN150 |
350 |
300 |
425 |
250 |
8×Φ26 |
37 |
HMF-US25F200SXXG |
PN25 |
DN200 |
350 |
360 |
485 |
310 |
12×Φ26 |
48 |
HMF-US25F250SXXG |
PN25 |
DN250 |
400 |
425 |
545 |
370 |
12×Φ30 |
65 |
HMF-US25F300SXXG |
PN25 |
DN300 |
450 |
485 |
600 |
430 |
16×Φ30 |
91 |
尺寸: mm
重量: kg
SKU |
PN |
DN |
L |
D |
H |
K |
n * φL |
重量 |
HMF-US16F350SXXG |
PN16 |
DN350 |
500 |
520 |
645 |
470 |
16 x Ф26 |
95 |
HMF-US16F400SXXG |
PN16 |
DN400 |
550 |
580 |
700 |
525 |
16 x Ф30 |
115 |
HMF-US16F450SXXG |
PN16 |
DN450 |
600 |
640 |
755 |
585 |
20 x Ф30 |
145 |
HMF-US16F500SXXG |
PN16 |
DN500 |
650 |
715 |
820 |
650 |
20 x Ф33 |
205 |
HMF-US16F600SXXG |
PN16 |
DN600 |
800 |
840 |
930 |
770 |
20 x Ф36 |
315 |
尺寸: mm
重量: kg
接線說明
1. 注意:電纜延長線是按照功能分別引出, 分為供電電纜,信號電纜和通訊電纜。
三種電纜內含若干細線纜,需要嚴格按照線纜顏色和對應功能接線。
2. 如果采用外接電源和內置鋰電池雙電源供電, 當外接電源斷電時, 可自動切換至
電池供電, RS485模塊停止工作。
3. RS485 總線必須采用截面積不低于 4*0.75 mm2的屏蔽雙絞線
上一個產品: V6GV系列法蘭型電動座閥