聯系我們More
總機:021-34170098? ? ? ? ? 021-34170018 傳真:021-34170028 手機:13816089353 電子郵箱:
Sales@createyi.com 地址:上海市嘉蓬路168號嘉蓬產業園1號樓101-102室?
![]() |

HSCD系列 二氧化碳傳感器
霍尼韋爾HSCD系列二氧化碳傳感器包含室內安裝和風管安裝兩種類型,主用于室內和風管空氣中二氧化碳濃度檢測。
聯系方式
021-34170098
產品介紹產品詢價
產品特點
? 采用高精度單/雙通道NDIR數字式傳感器
? 可選帶顯示功能,LCD數字顯示屏顯示清晰
? 二氧化碳傳感元器件模組可以現場更換
? 多重軟硬件保護設計保證高穩定性
? CO2傳感器可以現場進行手動校正
? 風管型采用無螺釘翻蓋卡扣式設計,接線調試操作簡便
? 集成RS485匹配電阻,方便現場調試
? RS485隔離設計,隔離高壓,增強地環路和共模信號抗干擾性
HSCD系列 二氧化碳傳感器相關信號如下:
HSCD-R1U
HSCD-R1UL
HSCD-R2U
HSCD-R2UL
HSCD-R2M
HSCD-R2ML
HSCD-D1U
HSCD-D1UL
HSCD-D2U
HSCD-D2UL
HSCD-D2M
HSCD-D2ML
訂貨信息和參數
基本參數
*1.二氧化碳傳感元器件為紅外線探測原理的光學類型傳感器,故持續振動情況下,傳感器的精度會出現偏差。
2.二氧化反傳感器為精密器件,經過搬運,運輸和安裝等過程,傳感精度可能會出現偏差,經過通電運行至少7天時間后可恢復正常。
功能和設置
1. 用戶自校準操作說明
1) 給Sensor產品通電并置于室外大氣環境或400PPM標氣環境中,產品需要遮蓋,避免陽光照射和大風的環境;
2) 需要采取防靜電措施,長按PCB板子上按鈕(FRC)4秒鐘;
3) 不帶LCD版本的產品 LED會慢閃,2秒亮 2秒滅 (校準中);帶LCD版本的產品會如下圖顯示“CALI“
4) 校準過程中必須保持環境CO2濃度的穩定性,11分鐘后校準自動結束,產品恢復正常工作。

2. 撥碼開關設置說明
A. 基本款
B . 通訊款

Modbus通訊協議
寄存器地址信息
功能代碼描述
接線圖和接線要求
0-10V/2-10/4-20mA輸出型號

Modbus協議型號

說明:
1. 端子支持的線型為AWG15~22。
2. 不同導線允許的長長度如下。

3. RS485要求用屏蔽線,長允許長度1200米。
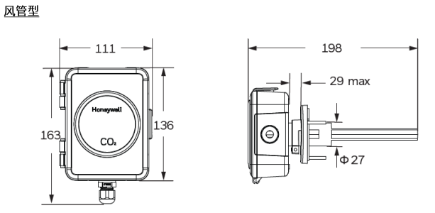
外形尺寸(mm)

外形尺寸(mm)

上一個產品: 暫無
下一個產品: HSCD系列 一氧化碳傳感器